如何计算corten 钢板规格3毫米厚度尺寸重量 Buy Corten 钢板规格 Corten 钢板重量 Corten 钢板尺寸product On Alibaba Com
電磁鋼板 規格
電磁鋼板 規格-



Csc Com Tw



特殊規格品 客製化信箱 亨竹企業有限公司產品介紹 不銹鋼信箱 不鏽鋼信箱 鍍鈦鋼板信箱 粉體烤漆信箱 電磁 感應式信箱 電子感應信箱 號碼鎖信箱 鈦金板信箱 木紋板信箱 組合式



矽鋼片規格矽鋼片 矽鋼片 英文名稱是silicon Mhinb



4mm 5mm 30mm厚钢板理论重量表规格表 计算公式 贤集网



Pcb Shop Global Business From Here E Brochures Bonding 230 Machine



磁力吊永磁起重器吸盘400 600kg 1 2吨具电磁铁工业强力吸铁3吨 3倍脱拉力 适用钢板60 1mm 图片价格品牌报价 京东



普通碳素结构钢板规格型号有哪些 哔哩哔哩



同成電機股份有限公司 變壓器用捲鐵心



吸盘电磁铁 电磁铁价格 电磁铁生产厂家 岳阳神冈起重电磁铁有限公司



Ei 鐵芯 麗鋼工業股份有限公司



选型指南 潍坊恒日电磁设备有限公司 恒日电磁 恒日 除铁器 滚筒 金属探测仪 磁选机 振动给料机 起重电磁铁



電機材料 談電機性能與矽鋼片選擇 每日頭條



矽鋼片silicon Oouzd



Ei 鐵芯 麗鋼工業股份有限公司



Ei 鐵芯 麗鋼工業股份有限公司



可鑫可信吸盘电永磁吸盘500 600 磁盘多规格 价格 批发 厂家 参数 图片 吸盘 搜好货网



薄钢板规格 新人首单立减十元 21年10月 淘宝海外



如何计算corten 钢板规格3毫米厚度尺寸重量 Buy Corten 钢板规格 Corten 钢板重量 Corten 钢板尺寸product On Alibaba Com



花纹钢板厚度厚花纹钢板的常用规格及质量 欧星推网



薄钢板规格 新人首单立减十元 21年10月 淘宝海外



电磁起重机图片 万图壁纸网



春源鋼鐵工業股份有限公司chun Yuan Steel Industry Co Ltd Taiwan 矽鋼事業部



Jfeスチール 製品情報 電磁鋼板 製品紹介



馬達矽鋼片使用注意事項 路昌工業股份有限公司 痞客邦



航空机柜尺寸并机柜的规格一般尺寸是多少 银颜网



變壓器矽鋼片電磁性能的影響因素研究 每日頭條



風力發電機 水力發電機 人力發電機 之 Diy繞線秘技大公開 發電機矽鋼片 鐵芯core 全尺寸 學生最佳實習材料 全面供應 先貼3種主要尺寸 直流無刷馬達可用



這一項鋼片漲最多2500元 中鋼 衡平穩健 開3月內銷盤價六項調漲均幅2 5 財經 Ctwant



電磁鋼板とは 電機資材株式会社



双梁桥式起重机



电磁离合器 制动器组件 东莞市壹唯工业自动化有限公司



電磁鐵吸盤式p 15 Dc5v Dc12v Dc24v 吸力3kg 蝦皮購物



贵州神力设备租赁专业提供铺路钢板出租 垫路钢板出租 职业培训 北京赶集网



台灣東亞電磁鋼股份有限公司



电磁振动试验台 环境试验设备 电力物资检测设备 试验箱 无锡腾川仪器设备有限公司 官网



螺丝包装机规格与参数 东莞市虎门兴华盛自动化设备厂



鋼板規格重量白鐵板 不鏽鋼板 Yqqjx



搬运钢板用电磁式磁力起吊机产品信息 Nippon Magnetics Inc



必赢贵宾会登陆3033 首页登陆



海力展 服务器机柜常见的标准尺寸规格有哪些



矽鋼片 電工用矽鋼薄板俗稱矽鋼片或矽鋼片 是一種含碳極低的矽鐵軟磁合金 百科知識中文網



索微soovi 密码锁电磁屏蔽机柜sw G01 保密柜 保密产品涉密产品红黑电源国家保密局认证产品



15u机柜尺寸可以带密码锁电磁屏蔽机柜 价格 厂家 求购 什么品牌好 中国制造网 北京牛盾锐世科技有限公司



精品推薦 深圳警勝產品集錦 雪花新闻



硅钢涂料中氧化镁的作用 取向



維修工具精菱免洗助焊劑松香焊接劑不銹鋼白鋼板鐵電池焊接水規格不同價格不同 Yahoo奇摩拍賣



吊板材用电磁吸盘 上海怀功电磁科技有限公司



何謂z11變壓器矽鋼片 有取向矽鋼片和無取向矽鋼片的區別 每日頭條



侧吊型起重电永磁铁 侧吊钢板用电永磁起重器 悍威磁电科技有限公司



鋼板分類大全介紹鋼板行業常用鋼板規格尺寸表 每日頭條



军训装备 军械装备 后勤保障装备 电磁安全产品 军鹏特种装备股份公司



保温护腰带价格 保温护腰带图片 星期三



19 1780号 電磁鋼板 及び 電磁鋼板の製造方法 Astamuse



工业散热风扇厂家 直流风扇 交流风扇 静音风扇 电脑风扇 深圳市吉翔佳电机有限公司



Nipponsteel Com



馬達矽鋼片使用注意事項 路昌工業股份有限公司 痞客邦



矽鋼片規格矽鋼片 矽鋼片 英文名稱是silicon Mhinb



Mw04 系列吊运单张薄板用电磁铁 岸电电缆绞车 电缆卷筒 起重电磁铁 电机驱动式



江西智诚信息科技有限公司



Jfe Jfe Steel 麗鋼工業股份有限公司



屏蔽机房报价清单模板合集 如何按照不同等级报价 看完就知道了 电磁



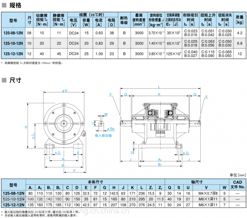
三木电磁离合制动器组合125 12 12n Mikipulley原装供应 价格 厂家 中国供应商



D003jec Electrical Steel Sheets



Suyp电工 电磁 纯铁价格 Suyp电工 电磁 纯铁厂家 Suyp电工 电磁 纯铁性能 东莞市铭东金属材料有限公司 合结钢 碳结钢 弹簧钢 轴承钢 易切钢 齿轮钢 高速钢 模具钢 不锈钢等特殊钢材顶级供应商



Mw04系列吊运单张钢板用起重电磁铁 岳阳中瑞电磁科技有限公司 原岳阳电磁铁厂



16台电永磁铁联吊钢板 吊钢板电永磁铁 吊钢板电磁铁 钢板磁铁吊具 悍威磁电科



鋼板樁的規格 壹讀



春源鋼鐵工業股份有限公司chun Yuan Steel Industry Co Ltd Taiwan 矽鋼事業部



正涵供应宝钢dt9电磁纯铁圆棒dt9dt9电磁纯铁钢板可零切



Bqj系列防爆自耦减压电磁起动箱 Ope体育客户端



電磁鋼板



Mzs1 6 Mzs1 7 Mzs1 15 Mzs1 25h Mzs1 45h Mzs1 80h 交流三相制动电磁铁mzs1 6 Mzs1 7 Mzs1 15 Mzs1 25h Mzs1 45h Mzs1 80h 无锡市昌林自动化科技有限公司



材料課堂 聊一聊鋼鐵中的工藝品 矽鋼 壹讀



钢筋桁架楼承板型号规格及参数尺寸大全 中构新材



紫外线灯的规格都包括哪些 扒拉扒拉



矽鋼片分條刀



Bqj自耦減壓式防爆電磁起動箱 防爆電器類



磁力吊具 特殊型材用电永磁吊具 悍威磁电科技有限公司



工具機主軸馬達 綠捷傳動股份有限公司



Mw04 系列吊运单张薄板用电磁铁 岸电电缆绞车 电缆卷筒 起重电磁铁 电机驱动式



防静电全钢活动地板防静电高架地板 Doc 360文库



钢板 Melsteel墨尔本钢 金宝博体育投注



海力展 服务器机柜常见的标准尺寸规格有哪些



成都防静电地板厂家畅销规格尺寸 知乎



馬達矽鋼片使用注意事項 路昌工業股份有限公司 痞客邦



春源鋼鐵工業股份有限公司chun Yuan Steel Industry Co Ltd Taiwan 矽鋼事業部



磁力吊吸盘kg12吨t具电磁铁强力小型工业吸铁永磁起重器3吨 2 5倍脱拉力 适用钢板60 1 图片价格品牌报价 京东



上旋转伸缩电磁挂梁桥式起重机 新乡市矿山重型起重机有限公司



義大利flonal福隆 不沾鍋自然石系列廚藝無二聯名款32cm 中華炒鍋dauwo3230 鍋具不沾鍋炒鍋 Momo購物網



中鋼公司 Csc Steel 麗鋼工業股份有限公司



产品视频 电磁铁视频 八大胜



定制磁力吊永磁起重器吸盘400 600kg 1 2吨具电磁铁强力小型工业吸铁0kg 2 5倍脱拉力 适用钢板10 30m 图片价格品牌报价 京东



Csc Com Tw



武汉钢板价格说说冷轧钢板的应用领域 武汉丰年钢铁有限公司



Mzs1 6 Mzs1 7 Mzs1 15 Mzs1 25h Mzs1 45h Mzs1 80h 交流三相制动电磁铁mzs1 6 Mzs1 7 Mzs1 15 Mzs1 25h Mzs1 45h Mzs1 80h 无锡市昌林自动化科技有限公司



久豐起重電磁鐵 高雄起重電磁鐵 高雄起重電磁鐵製造 高雄起重電磁鐵生產 高雄起重電磁鐵維修 高雄起重電磁鐵安裝 高雄起重電磁鐵規劃 高雄起重電磁 鐵生產 高雄起重電磁鐵出租 高雄起重電磁鐵出租



mn23alv舞钢钢板力学性能及化学成分 规格8mm厚以上 简书



鋼板 物質概述 鋼板樁 鋼板價格 鋼板規格 鋼板單位重 鋼板重量計算 鋼板厚度 鋼板護欄 鋼板尺寸 立祥興業股份有限公司li Hsiang Steel Co Ltd



Steel N Com



风道加热器 管道加热器 电磁导热油加热器 法兰加热管 氮化硅点火棒 江苏索利德电热设备有限公司 风道加热器 管道加热器 电磁 导热油加热器 法兰加热管 氮化硅点火棒 江苏索利德电热设备有限公司



Y100l1 4三相異步電動機定子鐵心製造 每日頭條


0 件のコメント:
コメントを投稿